手机版
|
二维码
|
客服热线
12345678
客服中心
|
帮助中心
反馈意见
联系我们
VIP服务
|
VIP
会员服务
建站服务
在线升级
联系我们
网站地图
特色频道
供应中心
|
订单中心
|
精选品牌
|
资讯头条
|
帮助中心
实力企业
扩展专区
排名推广
|
黄金广告
|
意见反馈
网站地图
|
网站公告
|
RSS订阅
用户专区
用户中心
|
发布货源
|
发布采购
|
发布展会
常见问题
|
VIP会员
客服热线:
12345678
订单中心
供应中心
精选品牌
资讯头条
发布产品
首页
首页
>
订单中心
>
机加工
持续长年外发自动化设备零部件车铣磨加工
点击图片查看原图
需求数量:
116
价格要求:
包装要求:
所在地:
江苏无锡市
有效期至:
2022-03-16
[已过期]
最后更新:
2022-03-09 11:54
浏览次数:
93
公司基本资料信息
****
联系人:
姚****雄
未注册
手机:
180****6886
地区:
江苏 无锡市
注意
:发布人未在本站注册,建议优先选择
VIP会员
详细说明
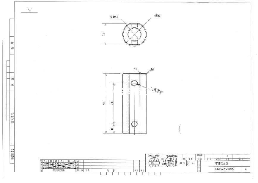
数量各2-10件不等,注意表面美观,不能有碰伤! 附件中有图纸和具体采购数量,请留意,谢谢!, 目前公司正在找长期合作供应商,付款方式可以月结60-90天的,请报价,其他付款方式,下次有机会再说,谢谢!
nfig="[object Object]" rowdata="[object Object]" datakey="outerDescribeNote" style="box-sizing: border-box; line-height: 18px;">
按图要求加工,交货期8-10天。每款各2-10件,详细见清单,谢谢!
DOC022522-02252022095723改.pdf
打赏
更多
>
同类订单中心
订做六角匙,六角扳手
寻求304自动车床加工
求购不锈钢钢针定制加
毛巾架五金件
询价五金件 数控车床
五金冲压件
订制针形阀手轮 针阀
金门扣U型门扣 旋转钥
123456
12345678
网站客服
法定工作日
8:30-17:30
铁马金工
微信扫描关注
用户反馈
返回顶部