手机版
|
二维码
|
客服热线
12345678
客服中心
|
帮助中心
反馈意见
联系我们
VIP服务
|
VIP
会员服务
建站服务
在线升级
联系我们
网站地图
特色频道
供应中心
|
订单中心
|
精选品牌
|
资讯头条
|
帮助中心
实力企业
扩展专区
排名推广
|
黄金广告
|
意见反馈
网站地图
|
网站公告
|
RSS订阅
用户专区
用户中心
|
发布货源
|
发布采购
|
发布展会
常见问题
|
VIP会员
客服热线:
12345678
订单中心
供应中心
精选品牌
资讯头条
发布产品
首页
首页
>
订单中心
>
机加工
铝制连接件
点击图片查看原图
需求数量:
10000
价格要求:
包装要求:
所在地:
江苏常州市
有效期至:
2021-03-22
[已过期]
最后更新:
2021-03-03 10:16
浏览次数:
26
公司基本资料信息
****
联系人:
盛****涛
未注册
邮件:
253***@qq.com
电话:
139****8018
手机:
136****0917
地区:
江苏 常州市
地址:
佛****号
注意
:发布人未在本站注册,建议优先选择
VIP会员
详细说明
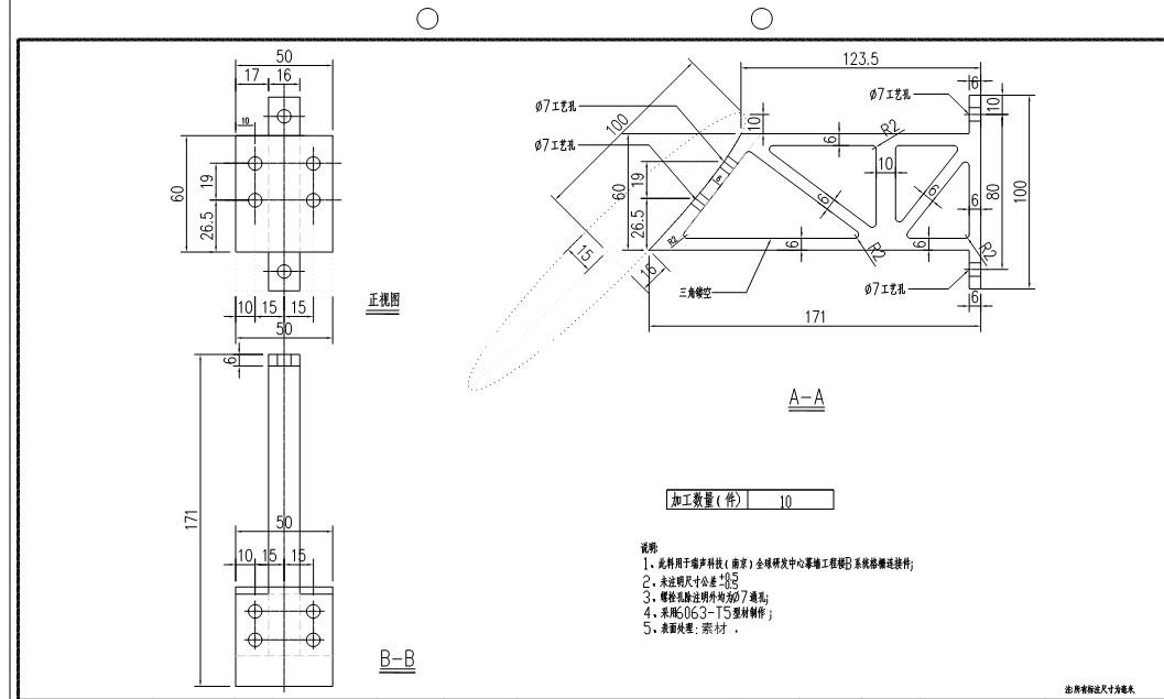
楔形铝质连接件,连接格棚用,可参考加工图A-MS-002。材质为6063-T5素材,无需表面处理。 包工包料报价
打赏
更多
>
同类订单中心
订做六角匙,六角扳手
寻求304自动车床加工
求购不锈钢钢针定制加
毛巾架五金件
询价五金件 数控车床
五金冲压件
订制针形阀手轮 针阀
金门扣U型门扣 旋转钥
123456
12345678
网站客服
法定工作日
8:30-17:30
铁马金工
微信扫描关注
用户反馈
返回顶部